로그인 후 이용해 주세요.

  • 회원가입
  • 로그인
  • 학교소개
    • 인사말
    • 비젼 및 목표
    • 교직원소개
    • 조직도
    • 연혁
    • 시설안내
    • 오시는 길
    • 학교소식
  • 모집교육
    • 현재 모집중인 과정
      • 국가기간전략산업
      • 국민내일배움카드(재직자)
    • 진행중인 과정
      • 국가기간전략산업
      • 국민내일배움카드(재직자)
    • 연간 모집 과정
      • 국가기간전략산업
      • 국민내일배움카드(재직자)
  • 입학신청
    • 온라인접수
    • 입학상담
    • 자주하는 질문
  • 국비지원안내
    • 국가기간·전략산업
      직종훈련
    • 국민취업지원제도
    • 국민내일배움카드
  • 취업정보
    • 기업체구인
    • 수료생 취업현황
    • 취업자료실
    • 훈련생 민원상담
    • 자격증시험안내
  • 커뮤니티
    • 공지사항
    • 포트폴리오
      • 기계설계
      • 사출금형
      • 모델링
      • CNC밀링
      • 기타
    • 갤러리
    • 온라인교육
      • 금형설계
      • 기계설계
      • NX 모델링
      • NX CAM
      • CNCNCT, G코드, M코드 메뉴얼 프로그램
      • 재난안전사고 행동요령
    • 수강후기
  • 인터라넷

온라인 교육

  • 커뮤니티
  • 온라인 교육
  • 공지사항
  • 포트폴리오
  • 갤러리
  • 온라인교육
  • 수강후기
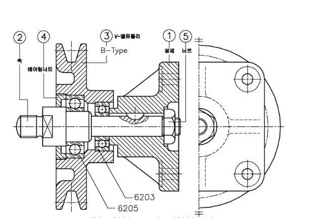
[기계설계]

V-벨트전동장치-1 도면

작성자 관리자 등록일 2019-03-18 조회수29


1552888375_58235146234.jpg
1552888391_58235146234.jpg
 

  • Prev
    기하 공차 기호
  • Next
    v-벨트 풀리 규격
목록으로
  • 온라인상담신청
  • 개인정보처리방침
  • 이메일무단수집거부
하단로고
부산다우직업전문학교 | 대표자 : 하점호 | 사업자 번호 : 841-90-00213
주소 : 부산시 사상구 가야대로 195번길 1 |
개인정보관리책임자 : 하점호 | FAX : 051-988-2938

입학문의

(1년 365/24시간 접수가능)

051-311-2937

입학상담

(운영시간 : 09:00~17:00)

상담신청하기